PF2-Delivery 物流・宅配ドローン
人が操作することなく、早く、安全にモノを運ぶ。
運搬・物流・宅配のために進化した最新型ドローン
ACSL-PF2をベースに、運搬・物流・宅配に必要となる機能を搭載。
完全自律・高速飛行により片道12km程度までモノを運ぶことができます。独自開発の運搬機構「キャッチャー」により目的地に到着すると自動で物をリリースします。ドローンにAEDを搭載し、運搬することも可能です。
ベース機体をPF1からPF2にバージョンアップ。アームとボディの一体成型により、強度・防塵・防水性能を向上し、防塵防水性はIP54を実現しました。高速飛行時のフェイルセーフ機能やGo Home機能を強化、操作性・安全性も向上しています。
運搬・物流・宅配へのドローン活用を実現可能にする高性能ドローンです。
| メーカー |
株式会社自律制御システム研究所[ACSL] |
|---|---|
| メーカー型番 | PF2-Delivery |
スペック比較
スペック比較表が画面からはみ出している部分は横スクロールでご覧いただけます。
![]() |
![]() |
![]() |
![]() |
|
|---|---|---|---|---|
| ACSL-PF2 産業用プラットフォーム | PF2-Vision 建物・インフラ点検ドローン | PF2-Delivery 物流・宅配ドローン | PF2-Survey 撮影・計測・測量用ドローン | |
| ベース機体 | ACSL-PF2 | ACSL-PF2 | ACSL-PF2 | ACSL-PF2 |
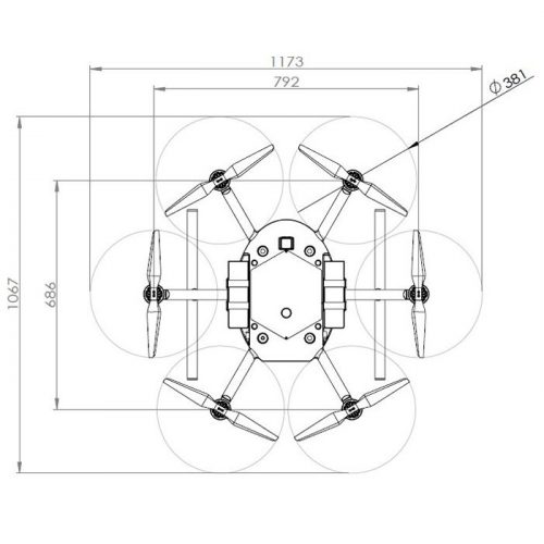
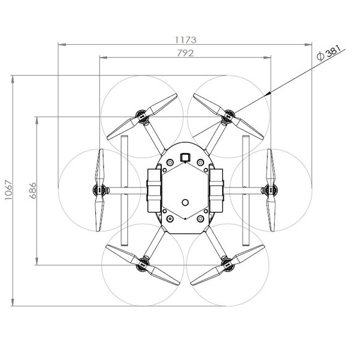
| 全長(プロペラ範囲) | 1,173mm | 1,173mm | 1,173mm | 1,173mm |
| 高さ(アンテナ除く) | 526mm | 526mm | 526mm | 526mm |
| 飛行速度 | 水平:10m/s 上昇:3m/s 下降:2m/s |
水平:10m/s 上昇:3m/s 下降:2m/s |
水平:10m/s 上昇:3m/s 下降:2m/s |
水平:10m/s 上昇:3m/s 下降:2m/s |
| 飛行時間 | 最大35分※ | 最大35分※ | 最大35分※ | 最大35分※ |
| 最大ペイロード | 2.75kg | 2.75kg | 2.75kg | 2.75kg |
| 耐風速 | 10m/s | 10m/s | 10m/s | 10m/s |
| 防塵防水性 | IP54 | IP54 | IP54 | IP54 |
※ペイロード0kg時。積載物や環境等により異なります。
独自開発「キャッチャー」
PF2-Deliveryは完全自律飛行により目的地に安全に運搬することが可能です。
一般的な交通手段での配送が困難であったり、費用対効果的に現実的でない場合などの代替手段としてご検討頂けます。
独自開発した運搬機構「キャッチャー」を搭載しており、目的地に到着すると自動で物をリリースし、次の目的地に移動することが可能です。

ベース機体寸法図




