ダンディリフト スチール製 500kg リフト台車(Wシザー) UDS-500W
運搬とリフト、2つの機能を併せ持つ1台2役のスチール製台車です。
ペダルを踏んで上昇、レバーを引いて下降し、作業に適した位置で高さを固定することができます。
特別開発の高品質油圧ジャッキを実装、耐久性に優れたロングセラー製品です。
パンタグラフ構造のシザーが4点可動し荷重中心に付近で支えるため、安定性に優れています。
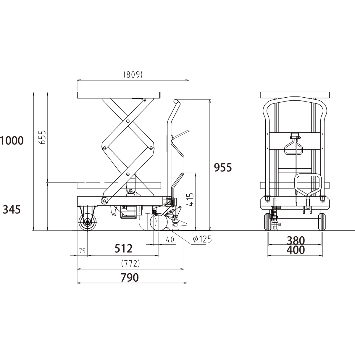
UDS-500Wは最大積載量500kg、テーブル高345~1000mmのWシザータイプです。
最大積載量とテーブル高、テーブル面積で6タイプのバリエーションをご用意しています。
| メーカー |
花岡車輌株式会社 |
|---|---|
| メーカー型番 | UDS-500W |
スペック比較
スペック比較表が画面からはみ出している部分は横スクロールでご覧いただけます。
![]() |
![]() |
![]() |
![]() |
![]() |
![]() |
|
|---|---|---|---|---|---|---|
| ダンディリフト スチール製 150kg リフト台車 UDL-150 | ダンディリフト スチール製 250kg リフト台車 UDL-250 | ダンディリフト スチール製 350kg リフト台車(Wシザー) UDA-350W | ダンディリフト スチール製 500kg リフト台車 UDA-500 | ダンディリフト スチール製 500kg リフト台車(Wシザー) UDS-500W | ダンディリフト スチール製 800kg リフト台車 UDA-800 | |
| 最大積載量 | 150kg | 250kg | 350kg | 500kg | 500kg | 800kg |
| 本体サイズ W×L×H |
W450×L960× H885mm |
W500×L990× H925mm |
W600×L1080× H965mm |
W600×L1070× H965mm |
W500×L790× H1000mm |
W600×L1165× H970mm |
| テーブルサイズ W×L |
W450×L710mm | W500×L800mm | W600×L910mm | W600×L910mm | W500×L600mm | W600×L1000mm |
| テーブル高 (圧縮時-伸長時) |
210~735mm | 245~810mm | 345~1265mm | 300~930mm | 345~1000mm | 330~1020mm |
| 車輪径(後輪自在) | 100mm | 100mm | 125mm | 125mm | 125mm | 150mm |
| 車輪材質 | ゴム | ゴム | ゴム | ゴム | ゴム | ウレタン |
| 駐車ブレーキ | キャスターストッパー | キャスターストッパー | フロアーロック | フロアーロック | フロアーロック | フロアーロック |
| ジャバラ付型式 | UDL-150J | UDL-250J | UDA-350WJ | UDA-500WJ | UDS-500WJ | UDA-800J |
| 自重 | 39kg | 54kg | 105kg | 88kg | 84kg | 114kg |
ダンディリフト スチール製リフト台車活用例
車両への積み荷作業に
トラックや自動車に荷物を積み込む際、荷台まで重い荷物を持ち上げる作業が発生します。ダンディリフトを利用して、テーブルを荷台に差し込めば、荷物をスライドさせて積み込むことも可能です。
移動可能なデスクとして
リフトに台車がついたリフト台車のため、作業デスクとしても使用可能です。シーンに合わせて高さを調節して作業出来る上、作業後の部品を次の工程に向けて移動する際にも便利です。
荷物の一時置き場に
荷物を床に置いてしまうと、保管先に移動する際にあらためて持ち上げ作業が発生します。後で移動する荷物の一時置き場としてダンディリフトを使用すれば、棚に入れる際も移動する際もスムーズです。
プレス金型入れ替えなど機械装置への組み込みも
プレスの金型や機械装置の入替えなどにリフト台車を導入すれば労働力負荷軽減が可能です。作業環境や機械装置に合わせた特注品の製造も可能です。
ダンディリフト スチール製リフト台車の特長
- 1高品質油圧ジャッキでなめらかな上下動を実現
- 2好みの高さで固定出来、様々なシーンで活用可能
- 3動かしやすく疲れにくいユニバーサルデザインハンドル
- 4油圧ジャッキが摩耗したらジャッキのみ交換可能












